Автоматическая машина для наклеивания этикеток OPP с горячим клеем для маркировки бутылок с водой
Машина для наклеивания этикеток с помощью термоклея — это автоматизированная система, предназначенная для надежного наклеивания этикеток с помощью горячего клея, обеспечивающая быстрое, точное и прочное наклеивание этикеток на различные продукты и упаковочные материалы. Эти машины широко используются в таких отраслях, как производство напитков, косметики, пищевая промышленность и фармацевтика, где высокая скорость и эффективность наклеивания этикеток имеют решающее значение. Технология горячего клея обеспечивает минимальный расход клея, быстрое высыхание и долговечную адгезию, что делает ее идеальной как для цилиндрических контейнеров, так и для контейнеров нестандартной формы. Независимо от того, нужно ли вам наклеивать этикетки на пластиковые, стеклянные или металлические контейнеры, этикетировочная машина с горячим клеем предлагает непревзойденную скорость, точность и универсальность.
Технические характеристики
| Параметр | Технические характеристики |
|---|---|
| Установленная мощность | Трехфазный 380 В, 50 Гц, 15 кВт |
| Размер хоста | 3100*1300*2100 |
| Валовая масса | 2700 кг |
| Глава отдела доставки | 1000±50 мм |
| Давление сжатого воздуха | 5-8 бар |
| Максимальная скорость маркировки | 6000-30000 бутылок/час |
| Метод склеивания | Ролик (10 мм клейкая полоса на каждом конце) |
| Спецификации тегов | Длина 125–325 мм, высота 20–150 мм |
| Спецификация этикетки/материал | Этикетка с прозрачной пленкой, этикетка OPP |
| Спецификации доставки | 82,6 мм, подача из нержавеющей стали |
Видео
Описание

- Наша компания имеет более десяти лет опыта в области независимых исследований и разработок, а также продаж на внутреннем и международном рынках, и располагает профессиональной командой дизайнеров и специалистов по послепродажному обслуживанию.
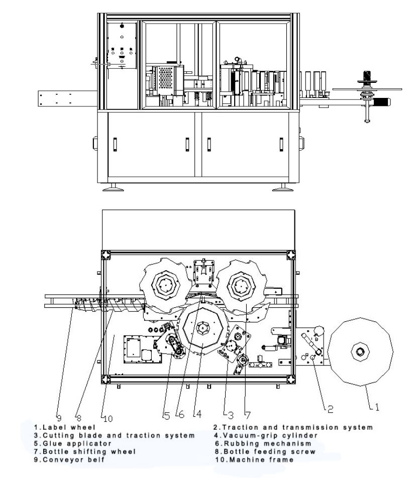
- Эта модель подходит для круглых/квадратных/плоских цилиндрических контейнеров, покрытых OPP-пленкой, перламутровой пленкой, бумажно-пластиковой композитной пленкой, бумажной этикеткой и другими видом окружной маркировки. Благодаря использованию несамоусадочных материалов, рисунок печати этикетки не деформируется, что обеспечивает эстетичный вид упаковки продукта, а также значительно снижает стоимость упаковочных материалов.
- Этикетирование с помощью термоплавкого клея для пластиковых бутылок, стеклянных бутылок, металлических банок и других емкостей в пищевой, медицинской и напиточной промышленности.

- Благодаря использованию системы управления Schneider PLC, эксплуатация проста, а работа стабильна и надежна.
- Использование высокоточной интеллектуальной системы коррекции отклонений для обеспечения идеальной подгонки в местах перекрытия.
- Используйте винты и звездообразные колеса для взаимодействия внутри и снаружи бутылки, обеспечивая плавную и стабильную работу на высокой скорости.
- Подъем шпинделя осуществляется с помощью полностью электрического управления двигателем ABB, что повышает эффективность замены бутылок и экономит время.

Список конфигураций
| Имя | Бренд | Происхождение |
|---|---|---|
| Контроллер движения | Шнайдер | Франция |
| Сервомотор | Шнайдер | Франция |
| ПЛК | Сименс | Германия |
| Сенсорный экран | Шнайдер | Франция |
| Преобразователь частоты | Шнайдер | Франция |
| контактор переменного тока | Шнайдер | Франция |
| Средняя эстафета | Шнайдер | Франция |
| Аварийный выключатель | Шнайдер | Франция |
| Импульсный источник питания | Хороший | Тайвань |
| Датчик приближения | Автоника | Южная Корея |
| Воздушный выключатель | Шнайдер | Франция |
| Сигнальная лампа | Шнайдер | Франция |
| Датчик освещенности бутылки | БОЛЬНОЙ | Германия |
| Датчик световой метки | БОЛЬНОЙ | Германия |
| Подъемная машина | ABB | Швейцария |
| Силовой двигатель | ABB | Швейцария |
